Industry application

行业应用

风力发电机
应用概述
风力发电机应用概述

风力发电就是将风能转化为机械能,再将机械能转化为电能的过程。这个过程中不需要燃料也没有辐射,更没有产生空气污染,是一种清洁能源。


ballbet贝博征可提供从风电变桨器到风电变流器全系统的解决方案,1700V 50A~900A系列模块为不同功率段的产品提供最优的解决方案。

 


风力发电机
应用系统图
风力发电机应用系统图
风力发电机
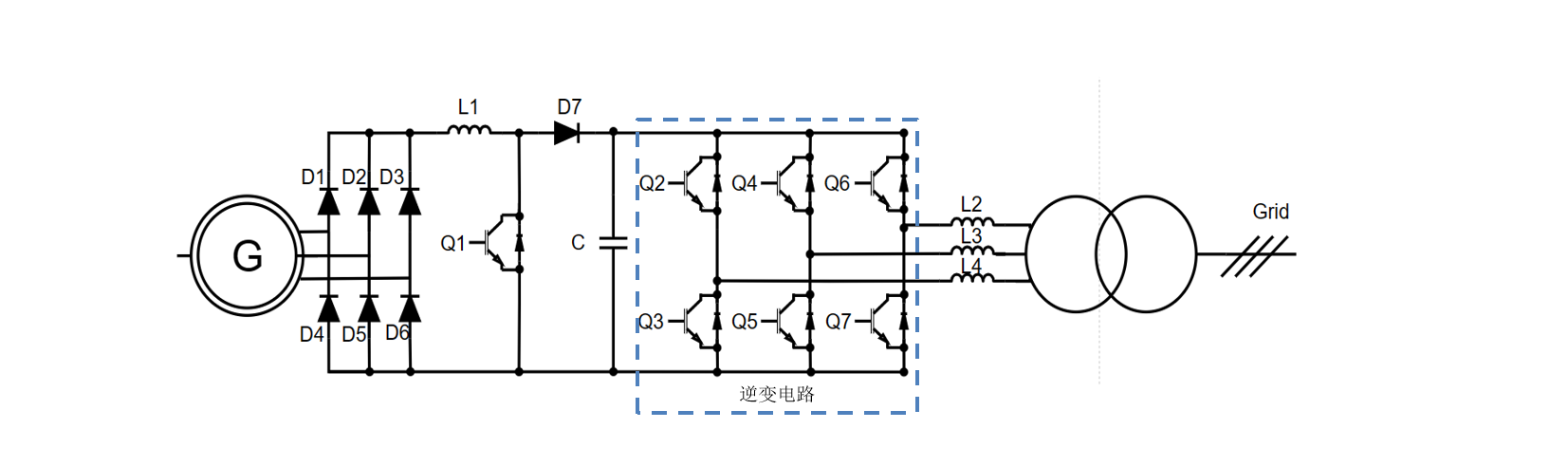
应用拓扑图
风力发电机应用拓扑图
风力发电机
推荐产品

IGBT模块产品清单

Part Number VCE(V) Ic(A)@100℃ Vcesat(V) @25℃
typ
Eon(mJ) Eoff(mJ) Package Datasheet
MPFF75R17RBF 1700 75 2 21.1 20.5 34mm module Download
MPFF100R17RBF 1700 100 2.2 22.5 21.9 34mm module Download
MPFF300R17MBF 1700 300 2.17 145.4 124.9 EconoDUAL 3 Download
MPFF450R17MBF 1700 450 2.29 153.1 131.5 EconoDUAL 3 Download
MPFF600R17MBF 1700 600 2.3 291 169 EconoDUAL 3 Download